YX6100-16S ÊÇÒ»¸öÌṩ´®¿ÚµÄÓïÒôоƬ£¬ÓÅÒìµÄ¼¯³ÉÁË MP3¡¢¡¢¡¢WAV µÄÓ²½âÂë¡£¡£ ͬʱÈí¼þÖ§³Ö¹¤Òµ¼¶±ðµÄ´®¿ÚͨѶÐÒ飬ÒÔ SPIFLASH¡¢¡¢¡¢U ÅÌ×÷Ϊ´æ´¢½éÖÊ£¬Óû§¿ÉÒÔ ÎÞаµÄÑ¡ÓÃÆäÖеÄÈκÎÒ»ÖÖ×°±¸×÷ΪÓïÒôµÄ´æ´¢½éÖÊ¡£¡£Í¨¹ý¼òÆÓµÄ´®¿ÚÖ¸Áî¼´¿ÉÍê³É²¥ ·ÅÖ¸¶¨µÄÓïÒô£¬ÒÔ¼°ÔõÑù²¥·ÅÓïÒôµÈ¹¦Ð§£¬ÎÞÐè·±ËöµÄµ×²ã²Ù×÷£¬Ê¹ÓÃÀû±ã£¬Îȹ̿ɿ¿ ÊÇ´Ë¿î²úÆ·µÄ´óÌØµã¡£¡£
ÎÞÐèÈκÎÉÕ¼Æ÷£¬ÎÞÐèÈκÎÈí¼þ£¬USB Ö±½ÓÉÕд FLASH¡£¡£
ͬʱ¿ÉÒÔÒÔ SPIFLASH Ϊ´æ´¢½éÖ浀 U Å̹¦Ð§,ºóÃæÕ½ÚÏêϸ˵Ã÷
1.2 ¹¦Ð§
1¡¢¡¢¡¢Ö§³Ö²ÉÑùÂÊ(KHz):8/11.025/12/16/22.05/24/32/44.1/48
2¡¢¡¢¡¢24 λ DAC Êä³ö£¬¶¯Ì¬¹æÄ£Ö§³Ö 90dB£¬ÐÅÔë±ÈÖ§³Ö 85dB
3¡¢¡¢¡¢´óÖ§³Ö 16M ×Ö½ÚµÄ SPIFLASH¡£¡£ÀýÈç W25Q16[2M ×Ö½Ú]¡¢¡¢¡¢W25Q128[16M ×Ö½Ú]
4¡¢¡¢¡¢¶àÖÖ¿ØÖÆÄ£Ê½£¬²¢¿Ú¿ØÖÆÄ£Ê½¡¢¡¢¡¢´®¿Úģʽ¡¢¡¢¡¢AD °´¼ü¿ØÖÆÄ£Ê½[´Ë¹¦Ð§¿ÉÒÔ¶¨ÖÆ¿ª·¢]
5¡¢¡¢¡¢Miniusb ½Ó¿Ú¸üÐÂÓïÒôÎļþ£¬ÎÞÐè×°ÖÃÈκÎÈí¼þ¡£¡£Ö§³Ö XP ºÍ WIN7 ϵͳ¡£¡£
6¡¢¡¢¡¢Ö§³Ö×éºÏ²¥·Å¹¦Ð§£¬¿ÉÒÔʵÏÖ±¨Ê±¡¢¡¢¡¢±¨Î¶ȣ¬ÔÚÒ»¶¨Ë®Æ½ÉÏ¿ÉÒÔÌæ»»Ò»Ð©ÌÚ¹óµÄ TTS ·½°¸
7¡¢¡¢¡¢30 ¼¶ÒôÁ¿¿Éµ÷£¬5 ¼¶ EQ ¿Éµ÷[´Ë¹¦Ð§Ôݲ»¿ª·Å]
8¡¢¡¢¡¢¿ÉÒÔ½Ó¶ú»ú£¬¿ÉÒÔ½Ó¹¦·Å
9¡¢¡¢¡¢Ö§³Ö 1 ¶ÎÓïÒôµÄ´¥·¢²¥·Å£¬IO ¼ì²âµÄ·½Ê½£¬ÒÔÊÇÊʺÏ̼Ĥ°´¼üµÈµÈ³¡ºÏ
10¡¢¡¢¡¢¿ÉÒÔͬʱ֧³Ö U ÅÌÒÔ¼° SPIFLASH ×÷Ϊ´æ´¢½éÖÊ
1.3 Ó¦ÓÃ
1¡¢¡¢¡¢ ³µÔص¼º½ÓïÒô²¥±¨
2¡¢¡¢¡¢ ¹«Â·ÔËÊä»ü²ì¡¢¡¢¡¢ÊÕ·ÑÕ¾ÓïÒôÌáÐÑ£»
3¡¢¡¢¡¢ »ð³µÕ¾¡¢¡¢¡¢Æû³µÕ¾Çå¾²¼ì²éÓïÒôÌáÐÑ£»
4¡¢¡¢¡¢ µçÁ¦¡¢¡¢¡¢Í¨Ñ¶¡¢¡¢¡¢½ðÈÚÓªÒµÌüÓïÒôÌáÐÑ£»
5¡¢¡¢¡¢ ³µÁ¾½ø¡¢¡¢¡¢³öͨµÀÑéÖ¤ÓïÒôÌáÐÑ£»
6¡¢¡¢¡¢ ¹«°²±ß·À¼ì²éͨµÀÓïÒôÌáÐÑ£»
8¡¢¡¢¡¢ µç¶¯ÂÃÐгµÇå¾²ÐÐÊ»ÓïÒôͨ¸æ£»
9¡¢¡¢¡¢ »úµç×°±¸¹ÊÕÏ×Ô¶¯±¨¾¯£»
10¡¢¡¢¡¢Ïû·ÀÓïÒô±¨¾¯ÌáÐÑ£»
2. ·½°¸ËµÃ÷
оƬѡÓõÄÊÇ SOC ·½°¸£¬¼¯³ÉÁËÒ»¸ö 16 λµÄ MCU£¬ÒÔ¼°Ò»¸öרÃÅÕë¶ÔÒôƵ½âÂëµÄ aDSP£¬½ÓÄÉÓ² ½âÂëµÄ·½Ê½£¬Ô½·¢±£¹ã¸æ·¨Ö¤ÁËϵͳµÄÎȹÌÐÔºÍÒôÖÊ¡£¡£Ð¡Çɵķâ×°³ß´çÔ½·¢Öª×ãǶÈëÆäËü²úÆ·µÄÐèÇó
2.1 ²ÎÊý˵Ã÷
Ãû³Æ | ²ÎÊý |
MP3ÎļþÃûÌà | 1¡¢¡¢¡¢Ö§³ÖÓбÈÌØÂÊ11172-3ºÍ ISO13813-3 layer3ÒôƵ½âÂë |
2¡¢¡¢¡¢²ÉÑùÂÊÖ§³Ö(KHZ):8/11.025/12/16/22.05/24/32/44.1/48 | |
3¡¢¡¢¡¢Ö§³Ö Normal¡¢¡¢¡¢Jazz¡¢¡¢¡¢Classic¡¢¡¢¡¢Pop¡¢¡¢¡¢Rock µÈÒôЧ | |
USB ½Ó¿Ú | 2.0±ê×¼ |
UART ½Ó¿Ú | ±ê×¼´®¿Ú£¬TTL µçƽ,²¨ÌØÂÊ¿ÉÉè[Óû§²»¿ÉÉè] |
ÊäÈëµçѹ | 3.3V-5V[7805ºó¼¶´®Ò»¸ö¶þ¼«¹ÜΪ¼Ñ] |
¶î¶¨µçÁ÷ | 10MA[¾²Ì¬] |
µÍ¹¦ºÄµçÁ÷ | <200uA |
¹¦·Å¹¦ÂÊ | Çý¶ú»ú£¬¹¦·Å |
³ß´ç | 16S |
ÊÂÇéÎÂ¶È | [-40¶È] -- [80¶È] |
ʪ¶È | 5% ~ 95% |
Ö÷оƬÐͺŠ| YX6100-16S[SSOP24] |
¹Ü½Å˵Ã÷
Òý½ÅÐòºÅ | Òý½ÅÃû³Æ | ¹¦Ð§ÐÎò | ±¸×¢ |
1 | SPIDO | SPI_DO | Êý¾Ý×ÜÏß |
2 | SPICLK | SPI_CLK | Êý¾Ý×ÜÏß |
3 | SPICS | SPI_CS | Ƭѡ×ÜÏß |
4 | GPIOA1 | P01 ´¥·¢Êä³ö¿Ú1 | ½ÓµØ´¥·¢ |
5 | USB- | USB- DM | µçÄ﵀ USB ¿Ú»òÕß U ÅÌ |
6 | USB+ | USB+ DP | µçÄ﵀ USB ¿Ú»òÕß U ÅÌ |
7 | GPIOA6 | ÍËñî | |
8 | GND | ÒôƵµØ | |
9 | DAC-R | ÒôƵÊä³öÓÒÉùµÀ | Çý¶¯¶ú»ú¡¢¡¢¡¢¹¦·Å |
10 | DAC-L | ÒôƵÊä³ö×óÉùµÀ | Çý¶¯¶ú»ú¡¢¡¢¡¢¹¦·Å |
11 | VDDIO | 3.3V µçÔ´Êä³ö | ¸ø SPI flsah ¹©µç |
12 | VDD | 5V µçÔ´ÊäÈë | ²»¿ÉÒÔÁè¼Ý5.2V |
13 | GND | µçÔ´µØ | |
14 | TX | UART ´®ÐÐÊý¾ÝÊä³ö | 3.3V µÄ TTL µçƽ |
15 | RX | UART ´®ÐÐÊý¾ÝÊäÈë | 3.3V µÄ TTL µçƽ |
16 | BUSY | Busy Êä³ö | ²¥·ÅʱÊä³öµÍµçƽ |
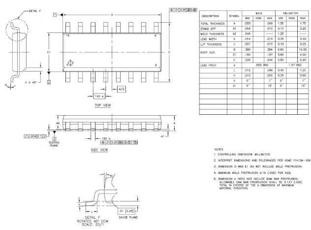
·âװͼ£º£º

ÍêÕû×ÊÁÏÇëÏòÔÚÏßÖ°Ô±Ë÷È¡¡£¡£Q3229894586
ÁªÏµÈË£º£ºÀîÊï¹â
ÊÖ »ú£º£º17266260250
ÓÊ Ï䣺£ºLur@yxin18.com
¹« ˾£º£º¹ãÖÝʨ×Ó»áµç×ӿƼ¼ÓÐÏÞ¹«Ë¾
µØ Ö·£º£º¹ãÖÝÊл¨¶¼ÇøÉÌÒµ´óµÀ334ºÅ